| Estado de Disponibilidad: | |
|---|---|
| Cantidad: | |
Sinopak
Introducción del producto: principio
Introducción del producto: concepto de diseño
Introducción del producto – Composición
Introducción del producto: modos
Tecnología clave
La unidad de potencia está centrada en un convertidor de corriente IGBT, que invierte un voltaje de CC en un voltaje de CA y controla la frecuencia, amplitud y fase del voltaje de CA para lograr las funciones de filtrado y regulación de potencia reactiva de salida para todo el dispositivo.
El dispositivo de implementación para el sistema integral de protección y control del gabinete de control debe proporcionar una inspección y un cálculo rápidos de la capacidad de potencia reactiva, activando así la generación y distribución de pulsos y logrando una protección en capas y graduada para el paquete de equipos.
Innovación característica: topología en cascada de tres niveles tipo I
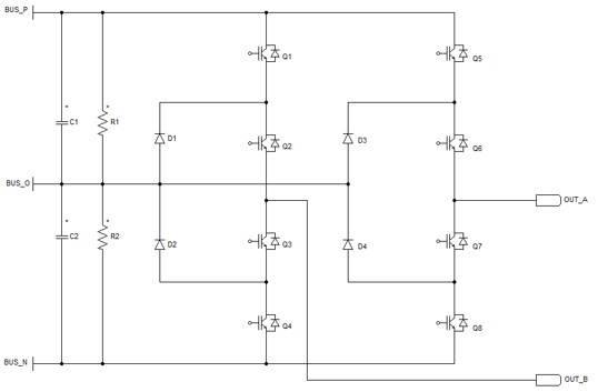
Topología de puente H de tres niveles tipo I
Forma de onda de salida de cinco niveles desde un puente H de tres niveles Tipo I
Innovación característica: estructura de la unidad de potencia
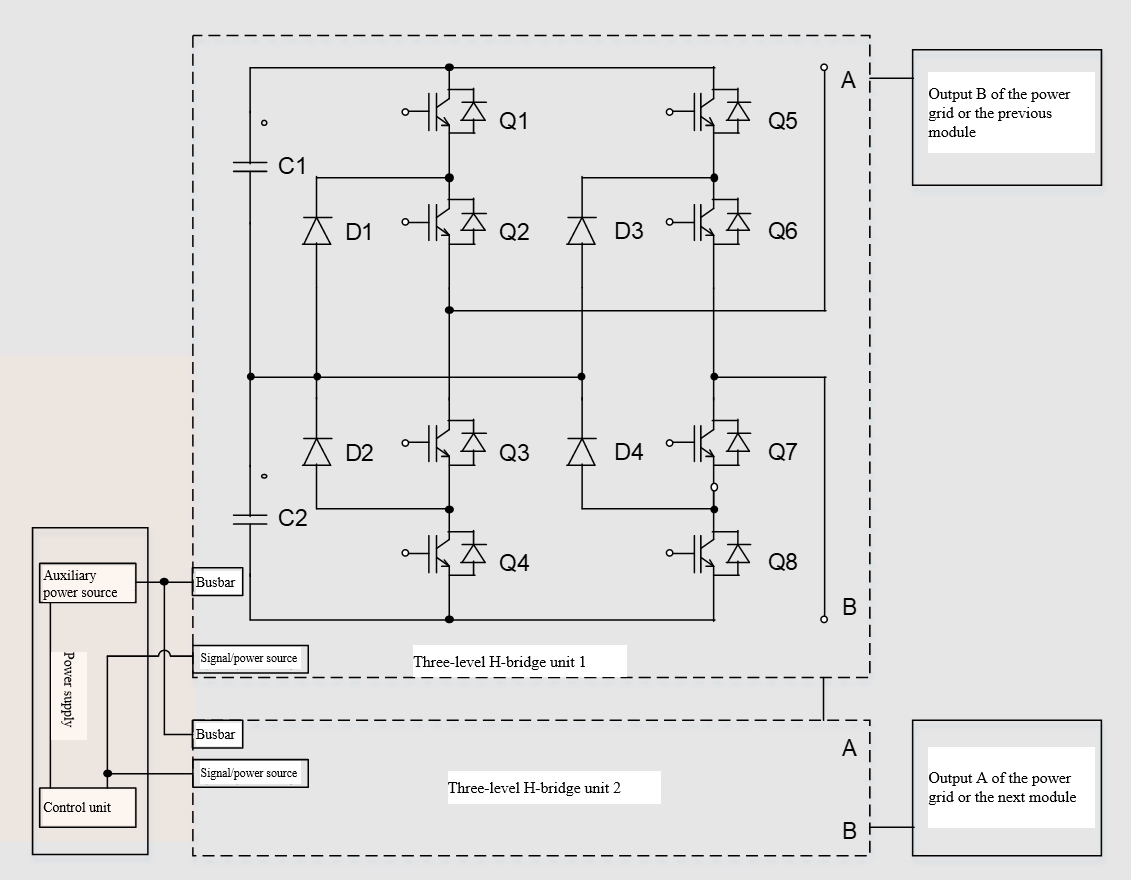
Un solo módulo está en una unidad dual. Diseño estructural "dos en uno". Diferente a lo convencional Unidades dos en uno disponibles en el mercado, utiliza un único tablero de control maestro para lograr la salida de control en cascada de dos puentes completos de tres niveles Tipo I.
Topología estructural del módulo de potencia.
Innovación característica: ventajas estructurales e innovación
Innovación característica: sistema de control maestro
Planificación de productos
Introducción del producto: principio
Introducción del producto: concepto de diseño
Introducción del producto – Composición
Introducción del producto: modos
Tecnología clave
La unidad de potencia está centrada en un convertidor de corriente IGBT, que invierte un voltaje de CC en un voltaje de CA y controla la frecuencia, amplitud y fase del voltaje de CA para lograr las funciones de filtrado y regulación de potencia reactiva de salida para todo el dispositivo.
El dispositivo de implementación para el sistema integral de protección y control del gabinete de control debe proporcionar una inspección y un cálculo rápidos de la capacidad de potencia reactiva, activando así la generación y distribución de pulsos y logrando una protección en capas y graduada para el paquete de equipos.
Innovación característica: topología en cascada de tres niveles tipo I
Topología de puente H de tres niveles tipo I
Forma de onda de salida de cinco niveles desde un puente H de tres niveles Tipo I
Innovación característica: estructura de la unidad de potencia
Un solo módulo está en una unidad dual. Diseño estructural "dos en uno". Diferente a lo convencional Unidades dos en uno disponibles en el mercado, utiliza un único tablero de control maestro para lograr la salida de control en cascada de dos puentes completos de tres niveles Tipo I.
Topología estructural del módulo de potencia.
Innovación característica: ventajas estructurales e innovación
Innovación característica: sistema de control maestro
Planificación de productos
STATCOM enfriado por aire versus enfriado por agua: ¿cuál es mejor para su proyecto?
¿Cómo elegir el STATCOM enfriado por aire adecuado para su red eléctrica?
¿Cuáles son las ventajas del STATCOM enfriado por aire para aplicaciones industriales?
¿Por qué debería elegir un STATCOM enfriado por aire para su sistema de energía?